Module et anneaux Led Post combustion

Électronique de nos machines
Avatar de l’utilisateur
f15mig27
Modérateur
Messages : 2085
Inscription : dim. sept. 27, 2009 10:03 pm
Localisation : Saint Dizier

Module et anneaux Led Post combustion

Message par f15mig27 »

Bonjour,

Après le module d'éclairage présenté il y a quelques temps (et qui fait le bonheur de certains), je me suis penché sur la mise au point d'un module plus simple et compact compte tenu de mon besoin et des prix que je juge excessif d'Unilight en quasi monopole.
20230319_152301.jpg

1/ Origine du projet et fonctionnalités recherchées
Ce projet est né du regret de ne plus voir Gaspar (alias Xicoy elec) fabriquer son module et ses anneaux de PC que je trouvais excellent en terme de rendu et de facilité d’utilisation.
Aussi, j’ai décidé de reprendre les fonctionnalités de son module pour mon projet, à savoir 4 sorties indépendantes qui reproduisent un scintillement pour figurer l’allumage, l’entretien et la coupure d’une post combustion selon la position (configurable) du manche des gaz. Chaque anneau de Led dispose de 2 voies indépendantes (sorte de stéréo optique) afin d’améliorer le rendu de scintillement. Comme le module peut piloter 2 anneaux de Led pour les bi-réacteurs, il a donc 4 voies de sorties. Ce module doit pouvoir être alimenté par une batterie LiPo2S, par exemple celle du réacteur (dans mon cas) via dérivation ou branchement sur prise d’équilibrage.
Un bouton intégré doit permettre de régler le sens du manche des gaz (dicté par le moteur et son ECU) et la position souhaitée de déclenchement de la PC. Quatre micro-Led SMD soudées sur le module doivent permettre de voir l’état des sorties sans avoir à brancher un anneau pour les réglages.
Enfin, pas question de perturber le récepteur ou la box si le module devait avoir un pb: la voie du récepteur devra donc être complètement protégée par optocouplage et aucune puissance ne sera communiquée au module par le RX.

2/ Conception
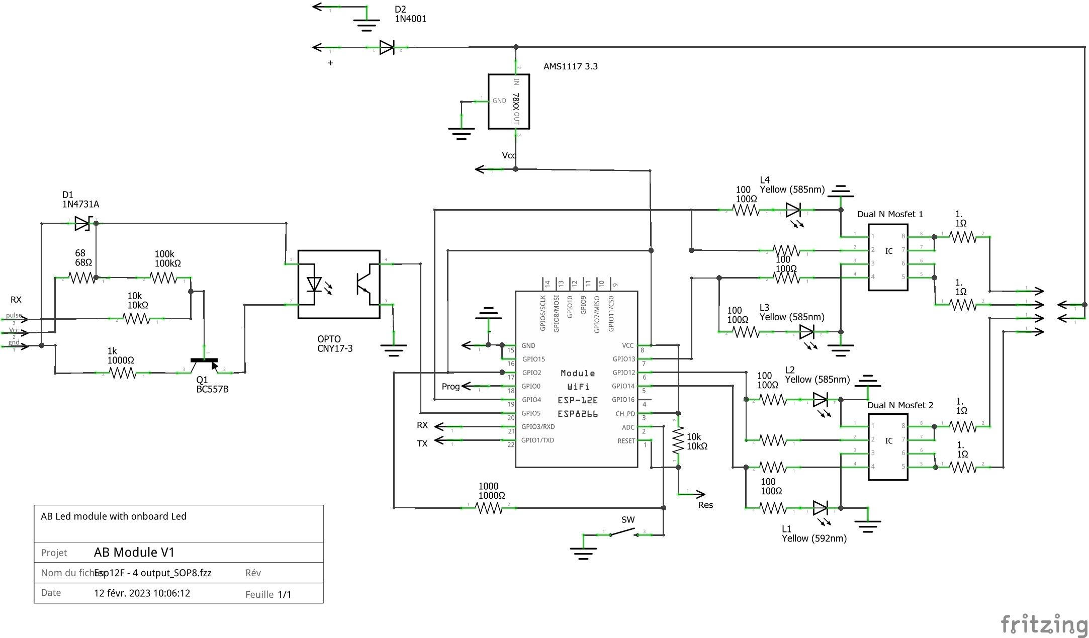
Monté sur un circuit imprimé de 5cm x 2.3cm, ce module est construit autour d’un microcontroleur Espressif Esp8266 de 32bit et calibré à 80MHz. Ce processeur est extrêmement performant, moderne (sorti en 2014), relativement bon marché, peu encombrant et programmable en C++ via l’interface Arduino IDE que j’utilise pour tous mes projets électroniques (projets modélismes et domotique perso). Les fonctionnalités WiFi dont il dispose sont inhibées bien sûr pour éviter tout risque de perturbation et limiter la consommation électrique. Quatre MOSFET (sorte d’interrupteurs électroniques) sont pilotés ce microcontrôleur et alimente les Led via une résistance de protection de quelques Ohms. Le schéma de principe retenu est alors le suivant :
Esp12F-4 OutputFINALSOP8&diode_schéma.jpg
Son impression sur plaque époxy double face est confiée à JLCPCB compte tenu du niveau de performance de cette entreprise (qualité, rapidité et prix) : plus besoin de faire ses calques de circuit, de manipuler une machine à insoler et du perchlo avec eux ! Voyez par vous-même le résultat entre dessin du circuit et produit obtenu :
Screenshot_20230314-234411_Gallery.jpg
20230314_231957.jpg

Le produit soudé et assemblé donne ceci pour 10g :
20230322_192710_resized.jpg
3/ Les anneaux

Les anneaux de Led sont construits à base de regroupements de 3 Led en série pour alimenter en 6.7V. Ces groupes de 3Led sont montés en parallèles selon le schéma suivant :
anneau Led multi_ FINAL_schéma.jpg
Projet puis production à JLCPCB aussi sur epoxy double face donne ceci:
anneau Led multi_ FINAL_circuit imprimé.jpg
20230412_191949.jpg
received_1269091093712293.jpeg
Le courant arrive donc via un fil 3 brins standard pour alimenter les 2 voies de l’anneau et faire un joli scintillement.

4/ Utilisation
L’utilisation se veut la plus simple possible :
- Branchement en entrée de la batterie 2S et branchement en sortie du (des) anneau(x) de PC ;
- Réglage de la course NORM/REV via le bouton sur le circuit ;
- Réglage du point de début de PC avec ce même bouton.


>> Et voilà le résultat <<


Fonctionne nikel pour qques amis et moi.
N'hésitez pas à me contacter si vous souhaitez que je vous assemble un module pour vous (27€ le module... :ange: ) avec anneau de Led (entre 25€ pour rangée simple de Led et 40€ maxi pour une double rangée). Je monte à la demande au besoin. :)
Quiconque prétend s'ériger en juge de la vérité et du savoir s'expose à périr sous les éclats de rire des dieux car nous ignorons comment sont réellement les choses et que nous n'en connaissons que la représentation que nous en faisons.
Albert Einstein
olvalem
Tête brulée
Messages : 501
Inscription : mar. sept. 20, 2016 8:08 am

Re: Module et anneaux Led Post combustion

Message par olvalem »

Génial. Merci Gaetan.
Bravo !
topgun
Post combustionneur
Messages : 75
Inscription : ven. juin 03, 2022 12:13 pm

Re: Module et anneaux Led Post combustion

Message par topgun »

Bonjour très intéresser pour un anneau, je vous ai envoyer un MP .
Merci!
Avatar de l’utilisateur
f15mig27
Modérateur
Messages : 2085
Inscription : dim. sept. 27, 2009 10:03 pm
Localisation : Saint Dizier

Re: Module et anneaux Led Post combustion

Message par f15mig27 »

topgun a écrit : dim. juin 18, 2023 3:19 pm Bonjour très intéresser pour un anneau, je vous ai envoyer un MP .
Merci!
Je viens de vois répondre. Désolé j'étais occupé tout le weekend.
Cordialement
Quiconque prétend s'ériger en juge de la vérité et du savoir s'expose à périr sous les éclats de rire des dieux car nous ignorons comment sont réellement les choses et que nous n'en connaissons que la représentation que nous en faisons.
Albert Einstein
topgun
Post combustionneur
Messages : 75
Inscription : ven. juin 03, 2022 12:13 pm

Re: Module et anneaux Led Post combustion

Message par topgun »

Bonjour il n'y as pas de mal !! ...
Répondre

Revenir à « Electronique »